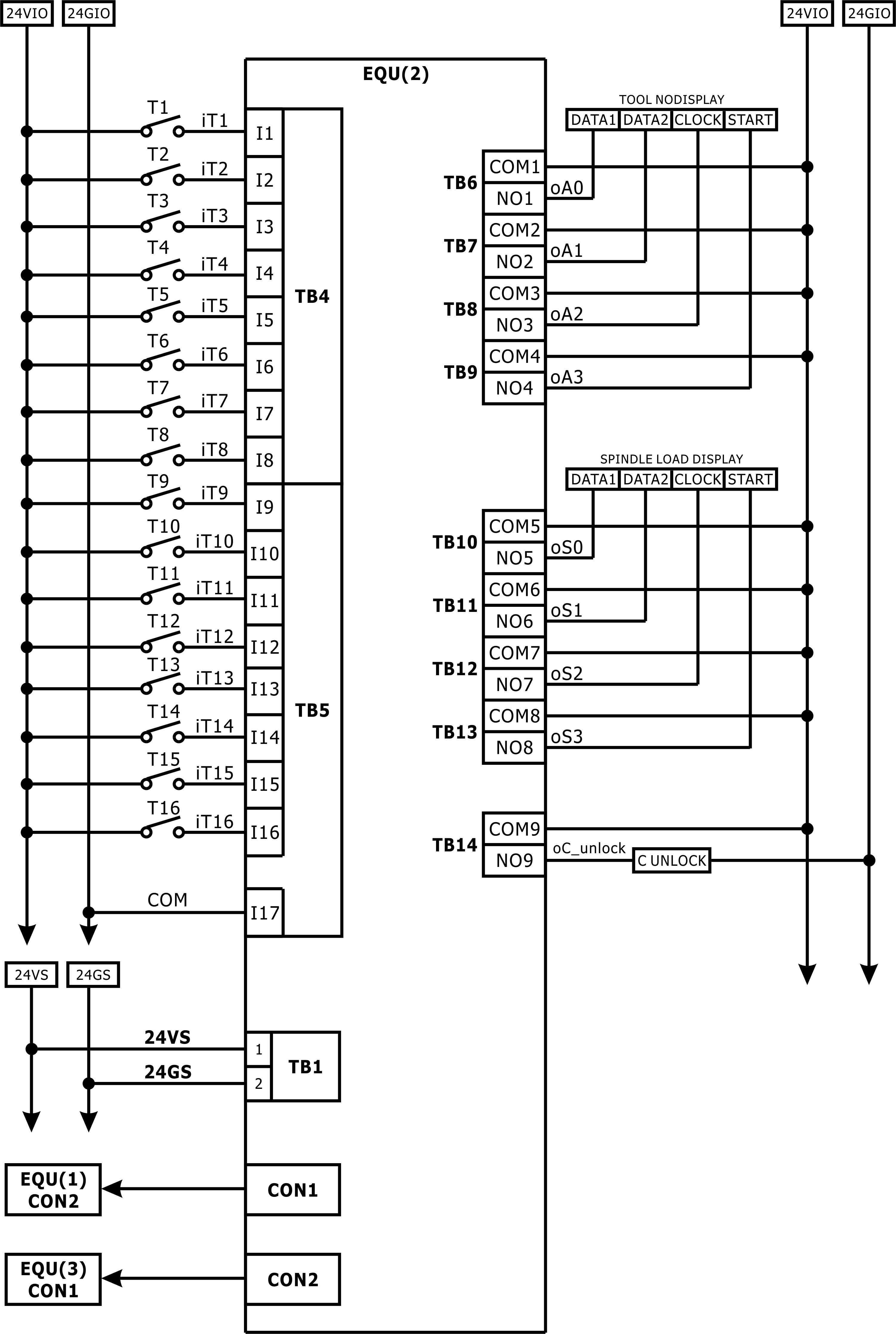
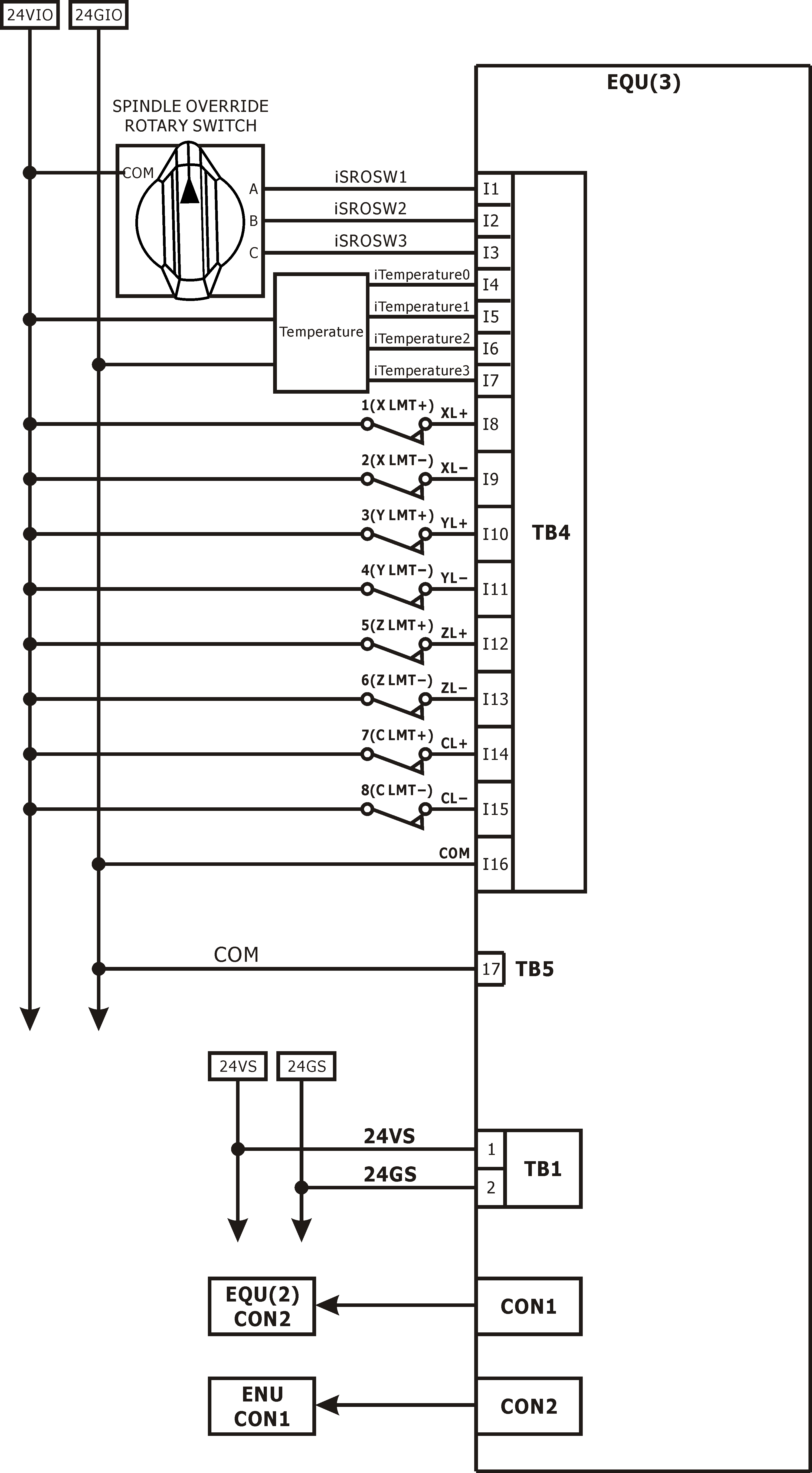
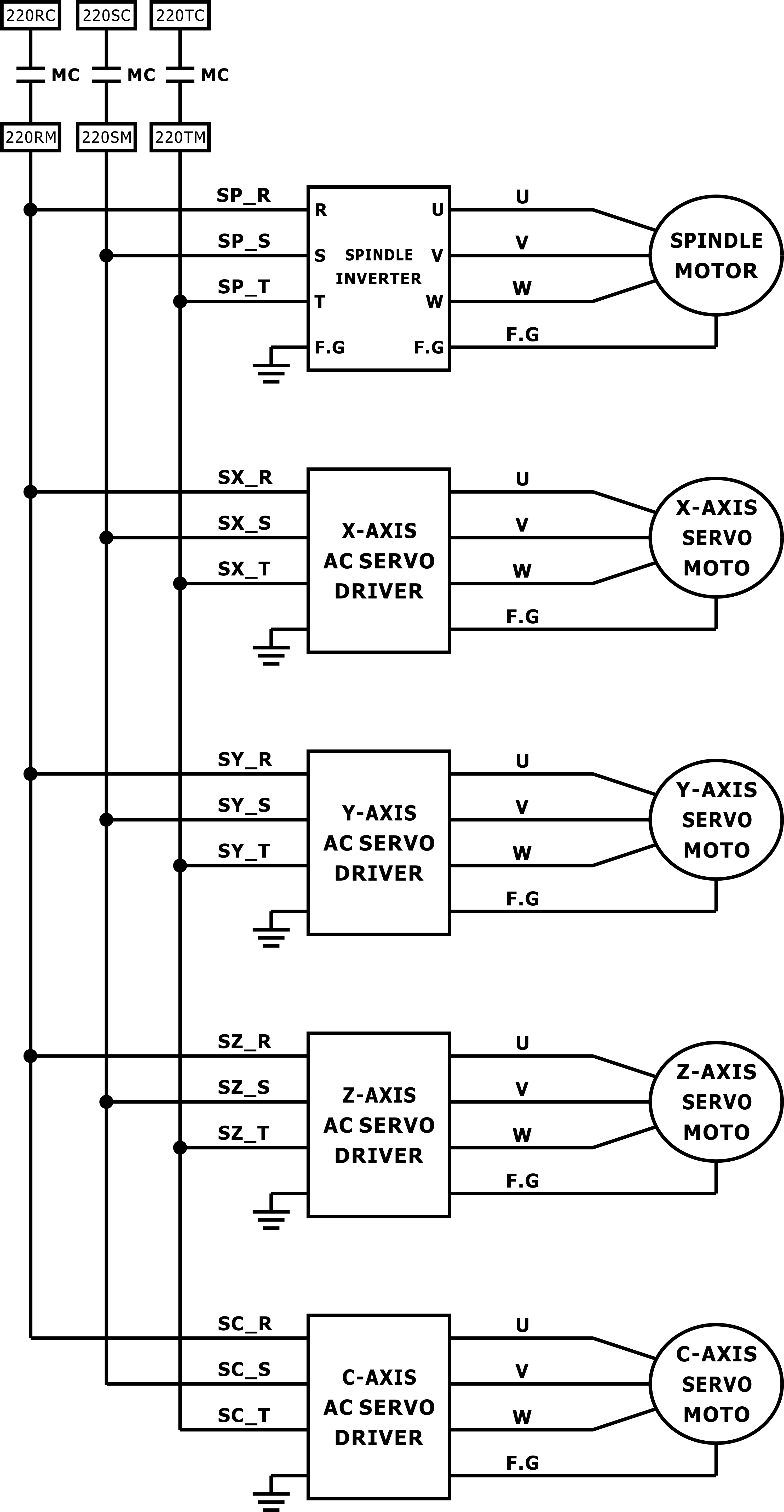
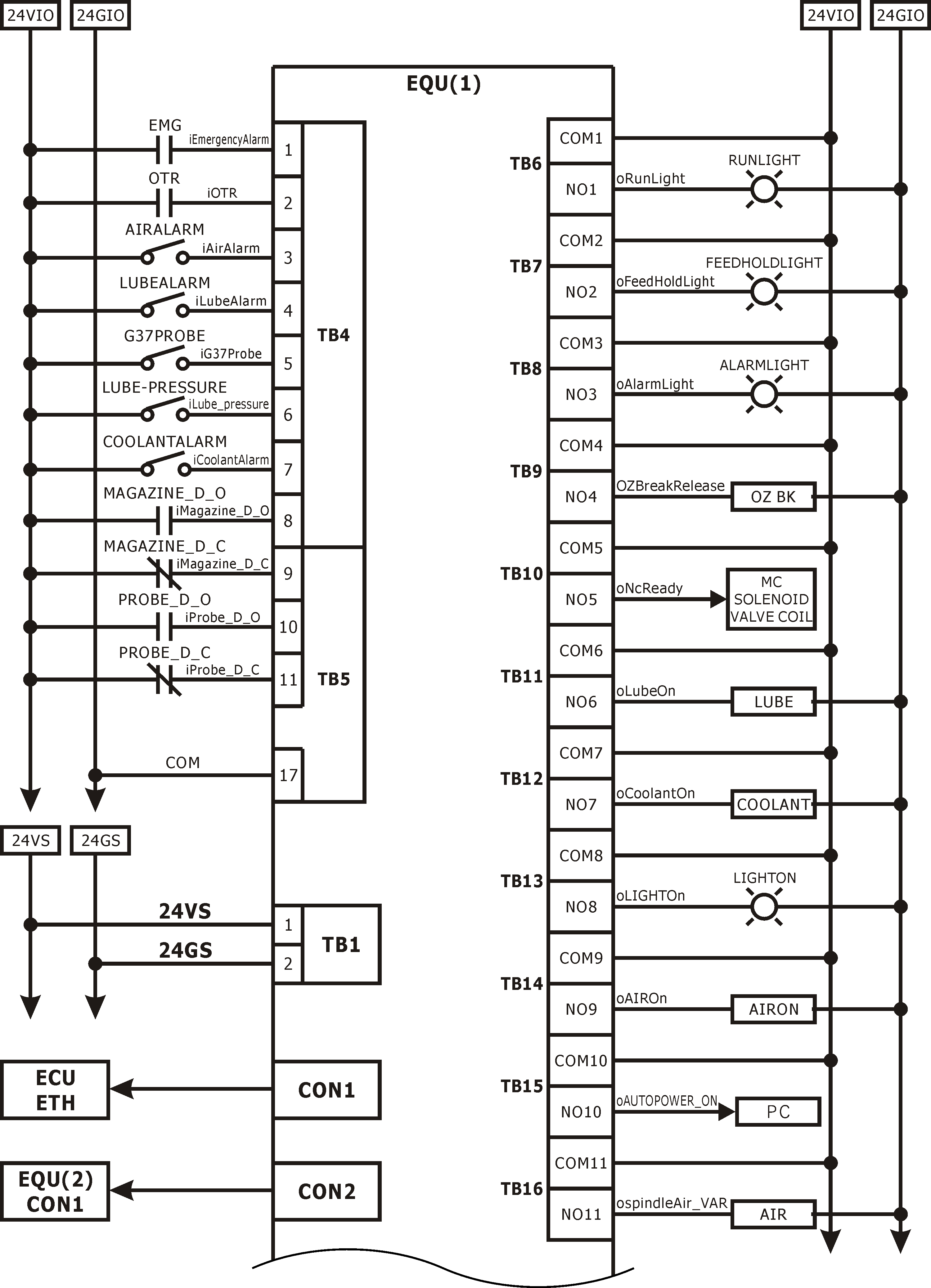
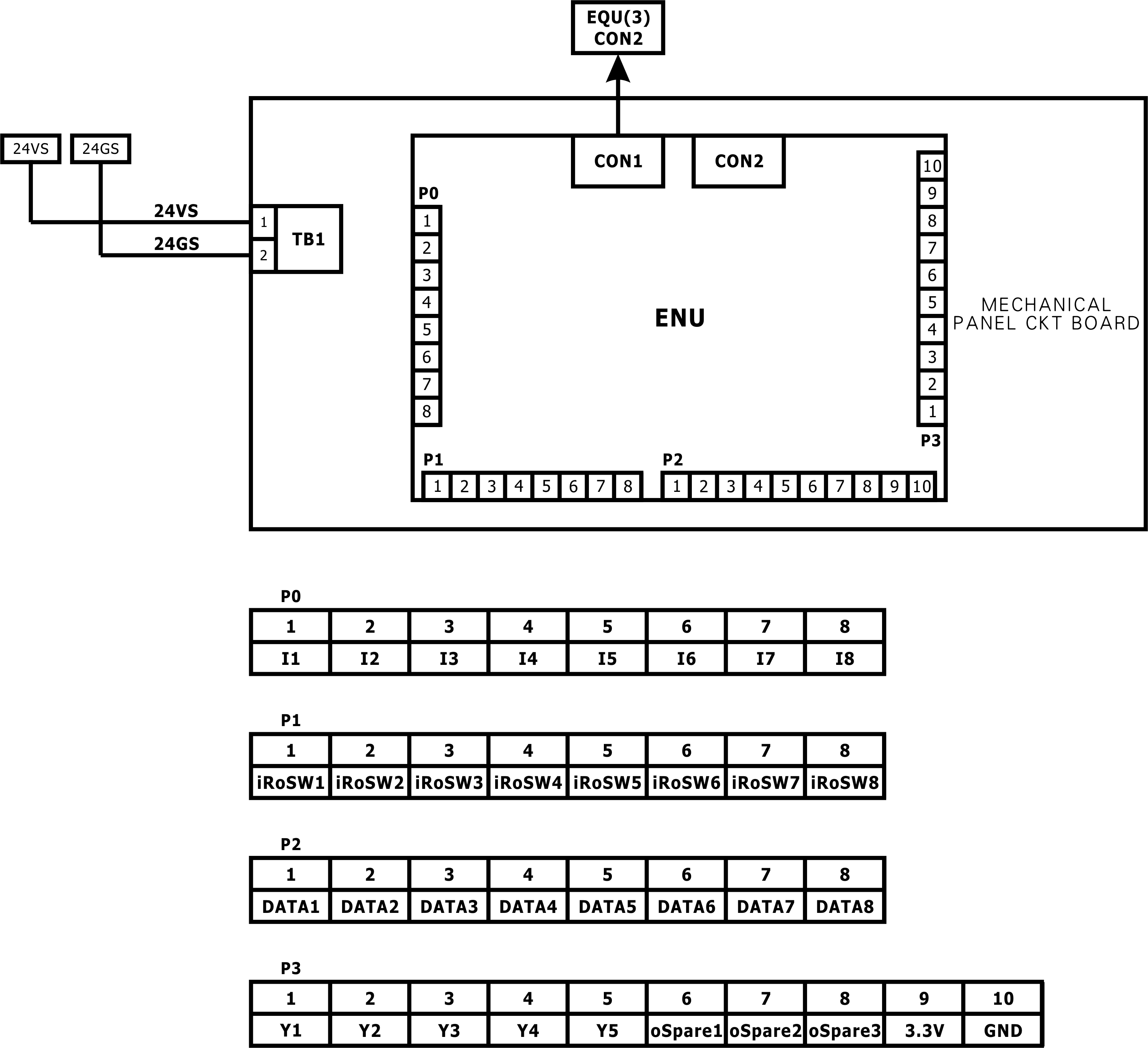
INCON-M84/M86/M86R PLC Manual4 PLC Planning4.1 Target Machine Specifications 4.1.47 System Wiring Diagram